(中冶建筑研究總院有限公司華東分院 吳玉峰 200433)
摘要:某企業石灰豎窯混凝土底框結構出現嚴重脹裂后,進行
結構檢測評估。現場檢測分析,發現房屋裂縫形狀和走向為非受力裂縫,脹裂處有白色粉末狀物質,實驗室鑒別為氧化鎂成分,因此得出結論因氧化鎂骨料導致混凝土構件的嚴重破壞。由于無法收集到原始施工材料,因此無法確定氧化鎂骨料的來源。鑒于高溫條件下,裂損區域的氧化鎂成分化學反應基本結束,對平臺結構采用鋼托梁應急加固,并對裂縫做耐久性維護,目前使用正常。
關鍵詞:石灰豎窯,
房屋開裂,氧化鎂
Inspection and Appraisal on A Lime Shaft kiln Concrete Frame Structural Damage for Magnesium
Wu Yufeng
(East China Branch, Central Research Institute of Building and Construction of Metallurgical Construction Group Corporation, Shanghai, 200433, China,)
Abstract: Inspection and appraisal was done on a lime shaft kiln‘s concrete Frame structural for severe cracking. According to the crack‘s shape and direction, it was not overloading crack. Further more, white powder-like material ,leading to cracking, was found in the cracks ,which was proved magnesium by laboratory analysis. But the source of the magnesium can’t be determined. In view of the end of chemical reaction under high-temperature, strengthening measures was done.
Keywords: lime shaft kiln, cracking, Magnesium
1、工程概況
某企業石灰豎窯,建于2007年底,使用約3個月,底部混凝土框架9.600 m二層平臺四根主梁、頂板出現嚴重脹裂,因安全問題暫停使用。引起了業主單位的高度重視,曾委托當地房檢機構進行評估,但業主懷疑評估結論的可靠性,因此委托我院對此進行原因調查分析及對結構現狀進行綜合評價。
該石灰豎窯底框平臺,采用現澆鋼筋混凝土框架結構,兩層,層高分別為6.6 m和4.8 m。現澆梁、板、柱的混凝土標號為C30。其中標高4.8 m-9.6 m采用耐熱混凝土,耐熱溫度為300℃。石灰豎窯體支承在二層平臺上,窯體正常生產時重1300 t,二層平臺布置有4個灰斗。
構件截面尺寸,混凝土柱為:1200×1200 mm;混凝土梁為:1000×1700 mm、600×800 mm、500×800 mm、250×500mm等。
根據所提供的施工階段的文字資料,混凝土的水泥、砂、石子及配合比均無異常,但未能收集到水泥、砂、石子的實物材料。
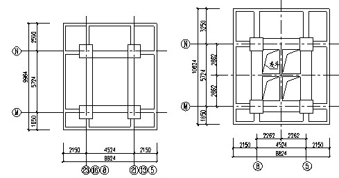
建筑物外貌見圖1,結構平面布置如圖2~3。
照片1 石灰豎窯底框平臺結構

圖2 石灰豎窯底框一層結構平面布置圖 圖3 石灰豎窯底框二層結構平面布置圖
2、現場
房屋完損狀況檢測
石灰豎窯一層外觀現狀整體較好,而二層混凝土構件存在嚴重損傷和缺陷,如下:主梁內側面、底面及灰斗周邊板底,均出現嚴重鼓裂,形成縱向狹長裂縫,外表最寬裂縫達到7 mm,靠近梁底有混凝土保護層脫落,箍筋和縱向鋼筋露出,如圖4所示。
剝離開裂的混凝土層,發現脹裂源為白色粉末狀物質,如圖5所示。
主梁外表面滲出白色或黃白色滲出物結晶。
二層柱子未發現明顯可見的裂縫。

圖4石灰豎窯側面縱向裂縫 圖5石灰豎窯混凝土脹裂源
3、混凝土溫度調查
據調查,測量結果表明,靠近灰斗的混凝土構件表面溫度較高,約130℃,
4、混凝土脹裂源實驗結果分析
混凝土脹裂屬膨脹應力破壞,而且以脹裂物為中心,將混凝土拱起、剝落,并形成徑向輻射爆裂縫或細裂縫。實地采樣發現脹裂源均為白色或淡黃色粉末狀物質,對脹裂物進行取樣,并進行X射線衍射分析和掃描電子顯微鏡微觀分析。
對脹裂源物質,進行X射線衍射分析,粉末中含有大量的

和少量

。
對脹裂源粉末進行掃描電子顯微鏡微觀分析結果如下:粉末中含有大量的

元素,占總元素的24.17%,與X射線衍射分析的結果一致。
對主梁表面滲出的白色粉末狀物質取樣后進行X射線衍射分析,粉狀物中含有大量的

和少量

。

圖6 脹裂源粉末X射線衍射圖

圖7 脹裂源粉末成分能譜圖

圖8主梁表面滲出的白色粉末狀物質X射線衍射圖
5、結語
經現場檢測,石灰豎窯底框二層平臺結構混凝土脹裂的主要原因是,

骨料在溫度作用下,生成

發生膨脹,造成混凝土和鋼筋粘結力損失較大,如繼續開裂或者鋼筋所約束的混凝土脫落嚴重,將會進一步削弱該平臺結構的承載能力,威脅該平臺結構的安全使用。鑒于混凝土高溫環境下使用,混凝土成分中

大部分已經發生了化學反應,因此,業主采用鋼梁托換混凝土主梁進行應急房屋安全檢測處理,并對混凝土梁裂縫進行耐久性修復處理,加固后目前使用正常。
但是,由于無法判斷氧化鎂的來源,即來自耐熱混凝土還是普通混凝土,因此該石灰豎窯底框結構的其它部位今后仍然存在脹裂的隱患。